启航彩
网站首页
企业概况
启航彩
产品中心
薄膜蒸发器、刮板式薄膜蒸发器系列
反应釜、不锈钢反应釜系列
螺旋板式换热器、列管式冷凝器系列
分子蒸馏设备系列
干燥分散混合系列、发酵提取过滤设备
回收塔、储罐、其它化工设备系列
薄膜蒸发器
新闻资讯
企业能力
技术装备
生产现场
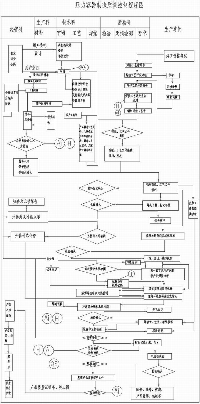
工艺流程
客户案例
联系我们
薄膜蒸发器、刮板式薄膜蒸发器系列
薄膜蒸发器
刮板薄膜蒸发器 刮板式薄膜蒸发器
三效节能外循环真空浓缩器
外加热式真空蒸发器
反应釜、不锈钢反应釜系列
不锈钢反应釜
树脂反应釜 酚醛树脂反应釜
外盘管反应釜
蒸汽加热、导热油加热反应釜
电加热反应釜
远红外加热反应釜
多功能分散釜
螺旋板式换热器、列管式冷凝器系列
螺旋板换热器 螺旋板式换热器
列管冷凝器 列管式冷凝器
列管换热器 列管式换热器
容积式换热器 浮头式换热器
气—水换热器
分子蒸馏设备系列
分子蒸馏设备
短程分子蒸馏设备
干燥分散混合系列、发酵提取过滤设备
结晶(加热)切片机
真空耙式干燥器
ZJG型内加热搅拌真空干燥机
发酵提取过滤设备
回收塔、储罐、其它化工设备系列
精馏回收塔
酒精回收塔
塔设备
不锈钢储罐(碳钢)储罐、槽车系列
蒸压釜、硫化罐、玻璃釜
ZFQ、ZF型蒸汽发生器
销售热线:17351688858
总经理:张琦
手 机:13585015999
电 话:0510-80751588
传 真:0510-80751586
新闻资讯
聊聊控制刮板式蒸发器的加热温度以优化蒸发性能
加热夹套是刮板薄膜蒸发器的关键组成部分
浅谈进汽流量对于薄膜蒸发器的重要性
蒸发器:直径与高度简述
刮板蒸发器:高效蒸发强度的实现与应用
简述刮板式薄膜蒸发器与蒸汽压力
薄膜蒸发器的工作温度是影响其性能的重要参数之一
蒸发器的蒸发能力:提升效率与性能的关键
刮板式蒸发器如何选择合适的壁厚?
说说环境因素对刮板式薄膜蒸发器性能的影响
工艺流程
当前位置:
首页
>
企业能力
>
工艺流程
>
产品中心
薄膜蒸发器、刮板式薄膜蒸发器系列
反应釜、不锈钢反应釜系列
螺旋板式换热器、列管式冷凝器系列
分子蒸馏设备系列
干燥分散混合系列、发酵提取过滤设备
回收塔、储罐、其它化工设备系列
联系我们
销售热线:17351688858
总 经 理:张琦
手 机:13585015999
宜兴厂址
宜兴市周铁镇竺西工业园兴达路8号
电 话:0510-80751588
传 真:0510-80751586
邮 编:214261
无锡厂址
无锡市滨湖区胡埭工业园丁香路18号
公司网址:arlenesmith.com
公司邮箱:wxdf888@163.com
薄膜蒸发器供应商-无锡市鼎丰压力容器有限公司 / 无锡市锡山雪浪化工设备厂
备案号: